Bateria elektroniczna FREAK
Nr TF0149
Stojąca bateria elektroniczna do kuchni
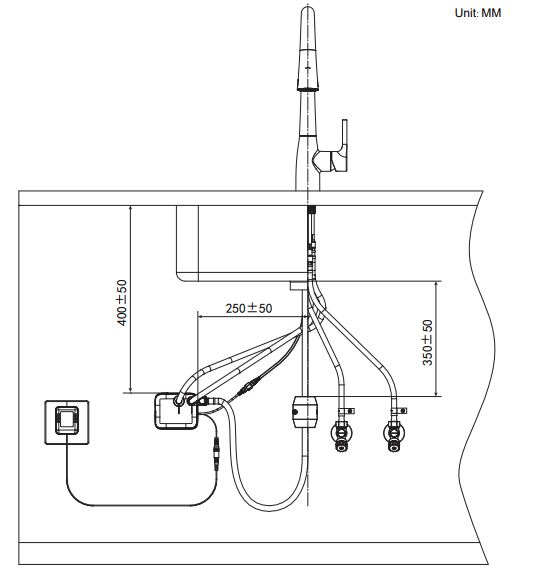
Niezależna skrzynka elektroniczna
Zasilanie sieciowe 230/12 V
Wypływ z możliwością regulacji
Antyosadowe sitko wypływowe
Detektor obecności na aktywną podczerwień umiejscowiony pod wylewką
Korpus z mosiądzu
Wężyki PEX z filtrami i elektrozaworami
Antyblokada wypływu
Boczna, standardowa dźwignia regulacji temperatury z regulowanym ogranicznikiem temperatury maksymalnej
Produkt odpowiedni dla osób z niepełnosprawnością
Trójdrożny system- dodatkowa obieg do wody filtrowanej
Dodatkowo:
Prosta instalacja
Tylko najlepsze materiały, których jakość potwierdzamy badaniami w laboratorium
Darmowa dostawa
™ Gwarancja jakości
Serwis pogwarancyjny
Dbałość o klienta
BEZDOTYKOWA BATERIA KUCHENNA Z FILREM WODY
Dzięki czujnikom ruchu wystarczy zbliżyć ręcę, aby uruchomić strumień wody. Bezdotykowy kran to nie tylko wygoda, ale przede wszystkim higiena Twojej kuchni. Zapomnij o osadach, bakteriach, zachlapaniu i ciesz się czystością każdego dnia.
Oszczędź czas, wodę, pieniądze pijąc przefiltrowaną wodę prosto z kranu. Pozbędziesz się niewygodnego dzbanka filtrującego oraz zgrzewek wody instalując kran z system filtracji wody. Dwa wyloty – jeden na wodę bieżącą, drugi na wodę filtrowaną. Nie trzeba wiercić dodatkowego otworu w zlewie ani montować dodatkowego kranu. Dzięki naszemu trójdrożnemu rozwiązaniu oszczędzasz filtry wody, ponieważ woda filtrowana przepływa innym obiegiem.
Dlaczego warto wymienić stary kran na bezdotykowy z funkcją filtracji wody?

Bateria kuchenna TF0149 z czujnikiem ruchu to znacznie więcej niż zwykły kran z filtrem do wody. Dzięki aż czterem precyzyjnym sensorom podczerwieni korzystanie z wody staje się niezwykle intuicyjne i przede wszystkim higieniczne. Machnięciem ręki uruchomisz krótki lub długi przepływ, a dedykowany czujnik dostarczy Ci idealnie przefiltrowaną wodę, gotową do picia. Zapomnij o odciskach palców i rozprzestrzenianiu bakterii, co jest szczególnie ważne w miejscu przygotowywania posiłków.
Nasza trójdrożna bateria z filtrem przepływowym łączy funkcje kranu z praktyczną wyciąganą wylewką, która ułatwia mycie dużych naczyń i utrzymanie zlewu w nienagannej czystości, z zaawansowanym systemem ultrafiltracji wody do kuchni. Wszystko to znajdziesz w jednym, eleganckim urządzeniu, które oszczędza cenne miejsce na Twoim blacie i dodaje kuchni nowoczesnego charakteru.
Zalety baterii kuchennej bezdotykowej FREAK FILTER z filtrem do wody:
- Intuicyjna obsługa bez dotyku: Cztery inteligentne czujniki pozwalają Ci włączać wodę dokładnie wtedy, gdy jej potrzebujesz. To maksimum higieny, znacząca oszczędność wody i niezwykła wygoda, szczególnie gdy masz zajęte lub brudne ręce podczas gotowania.
- Zdrowie i doskonały smak każdego dnia: Dzięki zaawansowanemu 5-stopniowemu filtrowi ultrafiltracji pijesz krystalicznie czystą, bezpieczną wodę prosto z kranu. System skutecznie usuwa zanieczyszczenia, takie jak chlor, pestycydy, metale ciężkie i bakterie, jednocześnie zachowując w wodzie cenne minerały. Twoja kawa i herbata zyskają głębszy, naturalny aromat.
- Nieograniczona swoboda w strefie zlewu: Wyciągana wylewka z dwiema funkcjami strumienia (klasyczny napowietrzony oraz mocny prysznic) ułatwi Ci napełnianie wysokich garnków, mycie warzyw i owoców oraz dokładne spłukiwanie każdego zakamarka zlewozmywaka.
- Minimalizm i elegancja dzięki rozwiązaniu 3w1: Jeden designerski kran kuchenny FREAK z wyciąganą wylewką i filtrem dostarcza wodę ciepłą, zimną oraz idealnie przefiltrowaną. Unikasz dzięki temu wiercenia dodatkowych otworów w blacie, zachowując czystą i spójną estetykę swojej nowoczesnej kuchni.
- Inwestycja, która się opłaca: Solidny korpus wykonany z litego mosiądzu oraz obudowa filtra ze stali nierdzewnej INOX 304 gwarantują, że bateria będzie Ci służyć bezawaryjnie przez długie lata, zachowując swój nienaganny, luksusowy wygląd.
Wybierając naszą baterię filtrującą wodę TF0149, inwestujesz nie tylko w prestiżowy design i nowoczesną technologię, ale przede wszystkim w zdrowie swojej rodziny i codzienny, nieoceniony komfort. To rozwiązanie, które każdego dnia będzie Ci przypominać o doskonałym wyborze, pomagając jednocześnie dbać o środowisko poprzez redukcję zużycia plastiku i oszczędność wody dzięki inteligentnym sensorom. Kup teraz i zmień oblicze swojej kuchni!
Dane techniczne:
- Typ baterii: Stojąca, trójdrożna, bezdotykowa
- Materiał korpusu: Mosiądz
- Wykończenie: Czarny Mat / Złoty Szczotkowany / Chrom / Grafit (zależnie od wybranego wariantu)
- Głowica: Ceramiczna, zapewniająca płynną regulację
- Wylewka: Obrotowa 360°, wyciągana z 2-funkcyjną słuchawką (strumień napowietrzony/prysznic)
- Zasilanie: Sieciowe 230V/12V (bezpieczny zasilacz w zestawie)
- Sterowanie: 4 precyzyjne czujniki podczerwieni oraz boczna dźwignia manualna
- System filtracji: Zewnętrzny, zaawansowany 5-stopniowy system ultrafiltracji
- Obudowa filtra: Stal nierdzewna INOX 304, gwarantująca trwałość
- Wydajność filtracji: do 90 l/h
- Żywotność filtrów: do 8000 litrów (co dla przeciętnej rodziny oznacza wymianę co około 24 miesiące)
- Wymiary baterii: 42 cm (wysokość całkowita) x 26 cm (zasięg wylewki)
- W zestawie: Bateria, kompletny system filtracji z pierwszym zestawem wkładów, nowoczesna skrzynka sterująca, zasilacz, pilot do personalizacji ustawień czujników, elastyczne wężyki przyłączeniowe PEX, kompletny zestaw montażowy, szczegółowa instrukcja obsługi i montażu.
- Gwarancja: 2 lata (z możliwością przedłużenia do 5 lat)












































73 opinie dla Bezdotykowa Bateria z FILTREM WODY – FREAK FILTER